● 高度低,变形量小
● 不锈钢/合金钢材料
● 可用于超声波焊接设备
● 汽车压装、自动化组装、3C产品测试、新能源产品组装、医疗检测、机器人领域、模具组装及其他工业测试、测量及控制系统
● 应用领域:汽车压装、自动化组装、3C产品测试、新能源产品组装、医疗检测、机器人领域、模具组装及其他工业测试、测量及控制系统

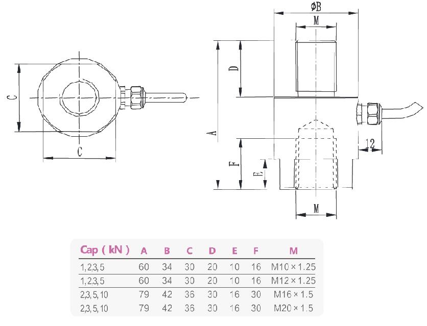
| 额定量程 | 1,2,5,10 kN | 绝缘电阻 | ≥5000 MΩ / 100VDC |
| 灵敏度 | 1.5±10% mV/V | 激励电压 | 5~15 V |
| 零点平衡 | ±0.03% mV/V | 最大激励电压 | 20 V |
| 非线性 | 0.1% F.S. | 温度补偿范围 | -10〜60℃ |
| 滞后误差 | 0.1% F.S. | 工作温度范围 | -20〜80℃ |
| 重复性 | 0.05% F.S. | 安全负载 | 150% F.S. |
| 蠕变(30分钟) | 0.05% F.S. | 破坏负载 | 200% F.S. |
| 温度对灵敏度漂移 | 0.05% F.S. / 10℃ | 电缆线尺寸 | φ4×4000 mm |
| 温度对零点漂移 | 0.05% F.S. / 10℃ | 单件重量 | 0.1 kg |
| 输入电阻 | 780±20 Ω | 材料 | 不锈钢 |
| 输出电阻 | 700±10 Ω | 保护等级 | IP67 |
受力方向 | 接线方式 |
![]() | ![]() |
瑞尔特测控系统(高端称重、测力)华南研发中心是一家提供各类高端标准测力传感器以及非标定制服务于一体的综合性企业。