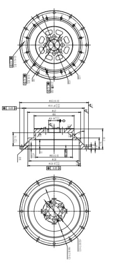
特点与用途
●静态扭矩传感器
●结构紧凑便于安装
●防护等级∶IP65
●用于静态,非连续旋转的扭矩值测量

额定量程 | Nominal (rated) torque Mnom | 580N.m |
输出灵敏度 | Nominal (rated) sensitivity | can输出 |
零点输出 | Zero balance | ±0.05%mV/V |
| 非线性 | Non-linearity | 0.3%F.S. |
| 滞后 | Hysteresis | 0.3%F.S. |
| 重复性 | Repeatability | 0.2%F.S. |
| 蠕变(30分钟) | Creep(5min) | 0.2%F.S. |
| 温度对灵敏度漂移 | Temp.effect on output | 0.05%F.S./10℃ |
| 温度对零点漂移 | Temp.effect on zero | 0.05%F.S./10℃ |
| 输入电阻 | Input impedance | 2000±20Ω |
输出电阻 | Output impedance | 2000±10Ω |
绝缘电阻 | Insulation | ≥5000MΩ/100VDC |
激励电压 | Recommended excitation | 5-12V |
最大激励电压 | Maximum excitation | 15V |
温度补偿范围 | Compensated temp range | -10~60℃ |
工作温度范围 | Operation temp range | -20-80℃ |
安全超载 | Safe overload | 150%F.S. |
极限超载 | Ultimate overload | 200%F.S. |
线缆 | Cable | φ3-4m |
防护等级 | Protection class | IP65 |
配线图 |
![]() |
瑞尔特测控系统(高端称重、测力)华南研发中心是一家提供各类高端标准测力传感器以及非标定制服务于一体的综合性企业。